|
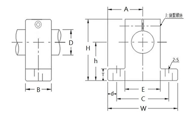
SH系列 轴心固定座
材质:
本体--AL6061(铝合金)
表面处理--银色-阳极
产品说明:
1、SH系列-轴心固定座:底端固定
2、适用轴径规格:8mm、10mm、12mm、13mm、16mm、20mm、25mm、30mm、35mm、40mm、50mm、60mm
3、种类丰富,生产之直线轴承产品有:标准型、间隙调整型、开口型、加长型、圆法兰式型、方法兰式型、椭圆法兰式型、连座滚珠型、开口连座滚珠型、轴心固定座、心轴支援座,方便客户设计选用
4、商品经使用后,恕无法办理退换货
用途:运输装置、食品机械、半导体制造装置等领域
|
社群帐号登录